[세이프티퍼스트닷뉴스] 현대사회은 플라스틱 사회라고도 할수 있을 만큼 수많은 종류의 플라스틱이 사용된다. 특히 음료수를 담는 용기로도 많이 사용되는데 음료용기에는 3가지 종류의 플라스틱이 사용된다. 폴리스티렌(Polystyrene)은 요구르트 병에 사용되는 값싼 플라스틱으로 녹는 점이 낮고 값도 싸다. 이보다 좀 더 좋은 것이 페트병으로 알려진 폴리에틸렌 텔레프탈레이트(Polyethylene terephthalate)이다. 페트병은 요구르트병보다 강하기는 하지만 역시 열에 약해 뜨거운 음료는 담을 수 없다. 그 다음이 에틸렌(Eethylene)이다. 에틸렌은 석유산업의 꽃으로 일상생활분야에서 다양하게 사용하는 합성수지이다. 에틸렌은 인체에 무해한 친환경플라스틱으로 여겨져 식품용기에 주로 사용한다.
2013년 3월 14일 오후 8시 51분 전남 여수 산단 대림산업 HDPE(High Density Polyethylene) 공장 D번 사이로에서 분진폭발사고가 발생하였다. 이 사고로 사이로 상부에 있던 작업자 5명과 사이로 하부에 있던 작업자 1명이 추락사 하였다. 대림산업 HDPE 공장은 고밀도폴리에틸렌(HDPE, High Density Polyethylene)제품을 생산하는 공장이다. 에틸렌 제품 중 저밀도 제품은 강도가 중요치 않은 농업용 필름 등에 사용되고, 고밀도 제품은 충격에 강하고 녹는점이 높기 때문에 스포츠 용품, 식료품 포장용 캡 등으로도 사용된다.
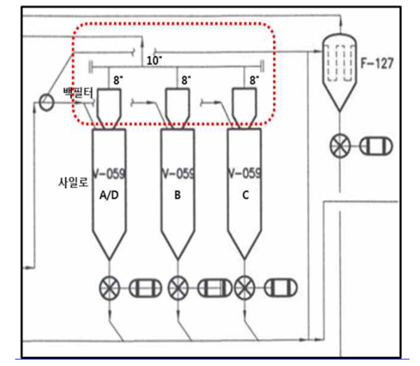
HDPE분말의 폭발하한은 26~35g/N㎥이며 발화점은 410℃이다. 공정은 에틸렌을 촉매와 반응시켜 고밀도 폴리에틸렌을 생산하는 공정으로 원료를 입고하여 반응, 건조공정을 거쳐 중간에 분말형태로 저장하였다가 HDPE를 압출기로 보내 다시 압출과 포장을 거쳐 출하한다. 사고 사이로는 압출전단계인 중간 저장공정에 있는 사이로였다. HDPE가 저장되는 사이로는 분진폭발의 위험성이 있기 때문에 운전 중일 때는 질소를 채운상태로 운전하고 있었다.
사고는 기존에 설치된 D번 사이로에 맨홀을 설치하기 위해 보강판을 용접하던 중 사고가 발생했다. 대림산업은 맨홀을 설치하기 위해 사고발생 이틀 전에 3월 12일에 공장가동을 중지하고 사고당일 오전 8시 40분까지 사이로 내부를 질소로 치환하는 작업을 실시했다.
질소치환이란 사이로 내부가 인화성 물질인 탄화수소로 가득차 있는 상태에서 용접이 이루어질 경우 폭발의 위험이 있으므로 사이로 내부의 인화성가스를 제거하고 질소를 주입하는 작업이다. 사이로를 질소로 치환한 후 인화성가스의 농도를 재어보니 0.0046mol%가 나왔다. 폭발범위에 들어가지 않는 농도였다. 질소 치환 후에는 사이로 내부는 질소로 가득차 있기 때문에 사이로 내부에서 사람이 작업할 경우 산소농도 부족으로 작업자가 질식사를 하므로 다시 질소를 빼내고 공기를 주입해야 한다. 따라서 용접작업을 위해 질소를 다시 공기로 치환한 결과 산소농도는 21%, 인화성가스의 농도는 0%가 나왔다. 용접작업을 할 수 있는 환경이 된 것이다.
용접작업에 안전한 농도가 나오자 작업자는 사이로에 맨홀을 만들 위치를 표시하고 1차는 드릴천공, 2차는 전기톱 천공, 3차는 연삭기로 천공작업을 실시한 후 했다. 지름 60cm의 맨홀을 부착하고 용접작업을 실시했다. 작업 중 저녁 5시가 되자 작업을 중지하고 저녁식사를 하고 돌아왔다. 그때가 6시 30분이었다. 작업을 시작하기 전 작업자들은 하부에 떨어진 HDPE분말을 목격하였다. 이는 사이로 내부에 분진이 완전히 제거되지 않았다는 것으로 위험한 징조였다.
분진폭발은 가스폭발보다 발생에너지가 더 크기 때문에 더 위험하고 피해도 훨씬 크다. 하지만 작업자들은 이러한 사실을 몰랐다. 대림산업 안전관리자가 사이로내 인화성가스 농도도 체크했고, 질식위험이 있는 밀폐공간이기 산소농도도 이미 점검하였기 때문에 안전한 작업환경인 줄만 알았다.
용접 작업자들은 2차 용접을 실시했고 잠시후 강력한 폭발이 발생했다. 폭발은 용접중이던 D번 사이로에만 그치지 않았다. 지름 20 cm의 질소배관을 통해 A,B,C,D번 사이로가 모두 연결되어있었기 때문이다. D번 사이로에서 발생한 폭발은 A,B번 사이로의 폭발로 이어졌다. C번 사이로도 연결되어 있었지만 배관의 길이가 길어 폭발은 일어나지 않았다.
사고 발생 원인 5가지
1. 생산성을 안전성보다 우선시 하는 회사의 정책이 있었다.
질소치환과 용접작업이 거의 동시에 이루어졌고, 공장의 빠른 가동을 위해 여러 가지 안전절차가 생략되었다. 사고 발생 전인 2012년 6월에도 사이로 폭발사고가 있었는데 분진폭발이 아닌 가스폭발사고였다. 당시 사이로 보수작업시에는 분진제거를 완벽하게 하기 위해 사이로를 물로 깨끗히 세척하고 작업을 실시하였지만, 분진제거를 위한 물 세척 시간이 많이 소요되자 공장 재가동을 빨리 하기 위해 이 작업을 생략했다.
2. 위험성평가가 제대로 이루어지지 않았다.
2012년 6월 사고 당시 사이로 폭발사고에 대한 충분한 위험성평가가 이루어지지 않아 동종 유사사고로 이어졌다. 2012년 6월에 발생한 사이로 사고를 교훈삼아 위험성평가를 실시하고 변경관리(MOC, Management of Change)를 하고 작업절차서의 개정, 정비보수작업지침의 변경 등을 통해 안전작업절차서를 새로 마련했어야 했다.
3. 협력업체관리에 소홀했다.
안전관리자는 작업을 수행하는 협력업체 작업자들에게 작업시 발생할 수 있는 위험성과 분진폭발에 대한 정보를 공유하여 HDPE의 화재 및 폭발특성, 관리방법, 작업전 제거방법 등에 대한 교육을 실시하고 주의사항을 인지시켰어야 했다.
4. 관리감독자의 역할을 제대로 하지 않았다.
사고 당시 원청업체 소속의 관리감독자 2명이 작업현장에 있었다. 그러나 이들조차도 분진폭발의 위험성을 인식하지 못했다. 관리감독자가 자신이 수행해야 할 직무를 지식의 부족으로 이행하지 못했다.
5. 추락방지조치가 이루어지지 않았다.
사이로 상부에서 플랫폼 설치작업을 하던 근로자 9명이 폭발시 충격으로 21.8m 아래로 추락하여 5명이 사망하고, 4명이 중상을 입었다. 이들이 고소작업시 필요한 안전대를 착용하였더라면 추락사고가 발생하지 않았을 것이다.
석유화학공정의 방호층은 이중 삼중 그 이상으로 설치되어 관리하기 때문에 한가지 원인만으로는 사고가 발생하지 않는다. 이 겹겹의 방호층 가운데 하나라도 제대로 지켜졌더라면 발생하지 않았을 사고였다.
리스크랩연구소: http://www.risklab.co.kr/
※ 참고문헌: 『HDPE 공장 사일로 폭발사고』 사고사례 연구, 한국산업안전보건공단 중대산업사고예방실 (이경성 & 표돈영), 2013
