[세이프티퍼스트닷뉴스] 1998년 9월 11일에 경기도 부천시 신흥동 내동 가스 충전소에서 가스가 폭발했다. 사망자는 택시기사 1명이었지만, 화재를 진압하던 4명의 소방관을 포함해 96명의 부상자가 발생했다. 부상자의 상당수는 사고현장 주변에서 사고를 구경하고 있던 시민들이었다. 재산 피해액은 인근에 있어 완파된 차량 18대를 포함하여 총 피해액이 120억 원에 달했다.
폭발 사고 개요
대성에너지는 가스판매업을 하는 법인으로 부지규모는 2,048㎡이며, 지하1층부터 지상3층까지 총 연면적 545㎡인 건물에 안전관리 총괄책임자 유삼진, 안전관리부총괄자 정병렬, 안전관리책임자 변재갑, 안전관리원 남병문, 충전원 임진용, 탱크로리 운전자 임경운, 강문용 등이 근무했다. 주요 시설로는 지하탱크인 프로판가스 30톤, 부탄가스 40톤, 자동충전기 6기, 가정용 LPG 가스통 2050개를 보유하고 있었다.
사고발생 하루전날 탱크로리 기사 임경운은 프로판가스 14톤탱크로리, 사고 당일 아침 9시에는 부탄가스 12톤 탱크로리 2대를 대성에너지 기계실 옆에 주차해 놓고 가스안전공사에서 실시하는 기밀시험이 끝나기를 기다리고 있었다. 기밀시험이 끝나자 임경운은 부탄탱크로리부터 하역작업을 실시했는데 액상의 부탄이 원인모를 원인으로 누출되어 인근에 있던 점화원에 인화되면서 폭발이 발생했다.
< 시간대별 사건 진행순서 >
-9/10 9시 : 탱크로리 기사 임경운이 프로판가스 14톤을 운송하여 기계실 부근에 주차함
-9/11 9시 : 탱크로리 기사 임경운이 부탄가스 12톤을 운송하여 기계실 부근에 주차함
- 10시 40분~13시 30분 : 한국가스공사(문경수, 최현수)가 정기점검 실시
- 13시 ~13시 30분 : 부탄가스 하역라인 배관의 기밀시험(18kg/㎠) 진행
- 14시~15시 : 스위치를 올려 부탄가스 하역작업 시작
- 14시~14시5분 : 변재갑이 주밸브를 열고 임경운이 압축가스 스위치를 올려 하역작업 시작
- 14시 7분~14시8분 : 부탄가스누출
- 14시 9분~14시10분 : 화재발생
- 14시11분~14시12분 : 프로판가스 충전용기 1차 폭발
- 14시 14분 : 소방서 사고접보
- 14시 15분 : 1차 소방대 도착하여 화재진압
- 14시 23분 : 부탄탱크로리 2차 폭발(1차 BLEVE)
- 14시 24분 : 프로판 탱크로리 3차폭발(2차 BLEVE)
- 17시 10분 : 1차 화재진압
- 9/17 16시 : 최종화재진압(지하저장탱크 가스 소진)
피해 상황
비등액체 증기운 폭발(BLEVE, Boiling Liquid Expanding Vapor Explosion) 로 인해 부탄 탱크로리 파편이 50m비산하여 인근 도로공원에 떨어졌고, 프로판 탱크로리 파편은 6.2m높이의 주유대 상판을 뚫고 지나간 후 25m 떨어진 맞은편에 있는 4층 건물의 2층 벽을 맞고 떨어졌다. 20kg짜리 가정용 LPG 용기는 간헐적으로 폭발하면서 60m 떨어진 주변 공장으로 날아가 인근사업장 10여개소에 피해를 입혔다.
가장 큰 피해을 일으킨 것은 폭발 후 발생한 Fire ball로 인한 복사열이었다. 폭발 당시 Fire Ball이 형성되면서, 탱크로리 파편이 약 30m 밖으로 비산되어 화염, 비산물, 폭풍압 등에 의해 충전소 직원 4명, 화재를 진압하던 소방대원들이 중화상을 입었고, 70m 떨어진 곳에서 사고를 구경하던 수십명이 화상을 입었다. 17시 10분경에 주변화재는 진압되었으나, 지하저장탱크에서 프로판 및 부탄가스가 계속 누출· 연소됨에 따라 완전한 소화는 6일 후에야 이루어졌다.
지금은 가스충전소와 주변 건축물까지의 이격거리가 40톤 초과의 경우 30m이상이지만, 당시만 하더라도 법 규정상 가스충전소가 2종 보호시설인 주택(1종은 학교)으로부터 12~20m 정도 떨어져 있고 화기와 8m 우회거리만 유지하면 허가가 가능하도록 되어 있어 주택과 충분한 안전거리가 확보되어 있지 않았다.
게다가 인근에 독성물질인 암모니아를 냉매로 사용하는 냉동공장이 있어 이곳에 2차 화재가 발생했더라면 독성물질인 암모니아가 누출되어 수많은 인명피해가 발생했을 것이다. 실제로 사고당시 가스충전소에서 비산한 탱크로리 측판은 500m 이상 날아가 주택에 떨어졌다. 또한 충전소 전면을 제외하고 삼면이 공장과 상가로 둘러싸여 있어 화재가 일시에 주변지역으로 확산되었다.
폭발사고 추정 원인
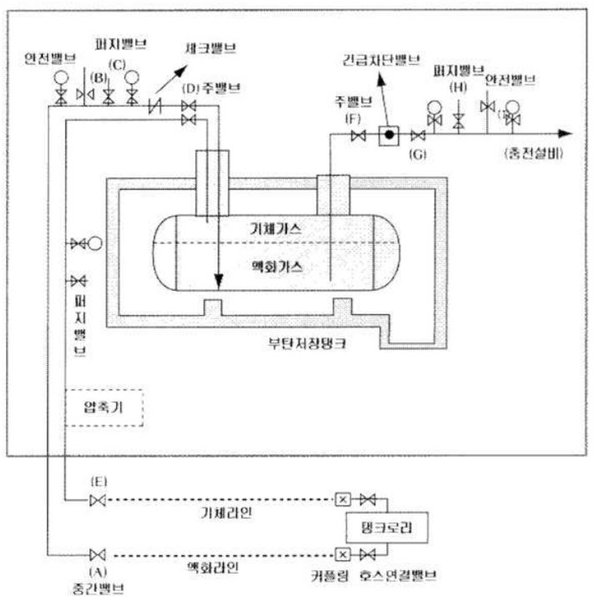
추정되는 사고원인은 크게 3가지였다. 퍼지밸브에서 가스누출 가능성, 탱크로리 연결호스나 호스체결부에서 누출가능성, 저장탱크와 자동차 충전설비 사이의 배관에 설치된 퍼지밸브에서 가스누출가능성 등이다.
퍼지밸브에서 가스누출 가능성
가스안전공사 직원이 기밀시험 완료 후 퍼지밸브를 열어 질소를 벤트시켜 개방된 상태로 놔두었고, 주 밸브를 원위치로 복귀시키지 않았다. 이 사실을 모르는 탱크로리 기사는 평소대로 부탄탱크와 탱크로리를 연결하는 호스를 체결하고 하역작업을 시작했고, 탱크로리의 부탄이 압축공기로 2~3kg/㎠의 압력으로 가압되면서 부탄탱크로 이송되기 시작했으나, 주밸브가 닫혀 있어 탱크로리의 부탄이 저장탱크로 들어가지 않고 퍼지밸브를 통해 대량으로 분출되었다.
탱크로리 연결호스나 호스체결부에서 누출가능성
기밀시험 완료후 퍼지밸브를 닫았지만 주밸브는 개방하지 않았다. 탱크로리 기사는 부탄탱크와 탱크로리를 연결하는 호스를 체결하고 하역작업을 시작했고 주밸브가 닫혀 있어 압력이 높아지자 강도가 약한 이송호스와 호스 체결부가 파괴되어 가스가 다량 분출되었다.
이때 공기압축기의 언로딩 설정치는 4kg/㎠, 압축기와 탱크로리 상부의 안전밸브 설정치는 11kg/㎠이다. 밸브가 닫혀있는 상태이다 보니 압력이 올라가자 강도가 약한 탱크로리 호스부위 또는 체결부(Y 밸브 커플링)가 파손되었다.
저장탱크와 자동차 충전설비 사이의 배관에 설치된 퍼지밸브에서 가스누출가능성
가스안전공사 직원이 저장탱크에서 자동차 충전설비까지의 배관에 대한 기밀시험을 완료한 후 퍼지밸브를 통해 벤트시킨 다음 퍼지밸브를 잠그고, 주밸브 및 안전밸브 전단의 블록밸브를 열어야 하나 열지 않았다. 따라서 차량충전을 위해 주밸브를 개방하자 열려진 퍼지밸브로 부터 부탄가스가 대량으로 누출되었다.
가스유출시 폭발을 일으킬수 있는 점화원은 매우 많았다. 부탄가스가 대량 누출되면서 분출입자의 정전기가 최소착화에너지(0.25mJ) 이상이 되어 폭발했을 가능성이 있다. 이 경우 배관설비가 접지가 되어 있더라도 작은 분출구로 많은 양이 분출될때는 대전된 상태로 분출된다. 그 다음으로는 기계실 주변에 정차해 있던 LPG택시의 시동으로 인한 점화가능성, 그리고 기계실내 설치된 전기 접속설비, 전기설비의 절연불량, 전기스파크에 의한 점화가능성이다. 또한 누출당시 호스 체결부분이 충전압(3kg/㎠)에 의해 바닥과 부딪히면서 마찰스파크가 발생했을 가능성도 있었다
사고원인 논란
사고원인은 꽤 오랫동안 규명되지 않아 대성에너지와 가스안전공사측은 3년 동안 28차에 걸친 치열한 공방이 오갔다. 대성에너지는 폭발사고의 원인이 기밀시험 후 벤트밸브를 열어놓고 닫지 않은 가스안전공사 직원에 있다고 했고, 가스안전공사측은 충전직원의 잘못으로 연결호스가 빠졌거나 찢어졌다고 주장했다.
강한 폭발로 인해 사고현장이 크게 훼손되어 증거를 찾기도 어려웠고, 충전소의 저장탱크 아닌 정차중인 탱크로리의 폭발은 매우 드문 현상이었기 때문이다. 사고조사체계의 미흡, 조사기법에 대한 비전문성등도 문제였지만 최초누출지점에 대한 관련 당사자들의 진술도 엇갈렸다.
가스폭발사고에 있어 최적의 전문조사기관은 가스안전공사였지만, 이 사고는 가스안전공사의 직원이 연관되어 있었기 때문에 배제되고 국립과학수사연구소 중심으로 조사가 진행되었다.
국과수는 사고발생전에 가스안전공사의 벤트밸브를 이용한 기밀시험이 있었고, 검사후 벤트밸브를 개방해 놓았다는 안전관리책임자의 진술을 근거로 처음에는 가스누출위치를 벤트밸브로 추정했다. 하지만 가스안전공사측은 벤트밸브를 통한 가스누출은 소량이기 때문에 이와 같은 대형폭발을 일으킬수 없다고 주장했다.
법원은 사고의 가능성으로 기계실내의 배관이 파단되면서 다량의 액상가스의 누출, 가스공사직원이 열어둔 벤트밸브를 통한 액상가스의 누출, 부탄이송 라인호스와 Y형 밸브에 연결된 커플링에서의 액상가스의 누출 등 3가지 케이스로 압축했다.
첫번째 가능성은 국과수의 정밀검사 결과 배관의 파단은 확인되지 않았기에 기각되었다. 두번째 가능성은 벤트밸브를 통한 가스누출은 가스 분출시 높은 압력으로 90데시벨 이상의 소음을 동반하고 가스가 5m이상 높이의 분출이 있어야 하지만 이러한 현상이 목격되지 않았고, 벤트 밸브를 통한 가스누출실험 결과에 의하면 벤트밸브를 통해 누출된 가스는 강한 분출압력으로 액상에서 기상으로 기화되면서 연무현상을 일으키기 때문에 바닥에 체류하는 것이 불가능했다. 헬기촬영상을 분석한 결과 화재는 풀 화재(Pool fire))였고, 당시 작업자의 온몸이 액상부탄으로 젖었다는 진술을 근거로 할때 대량의 액상부탄이 누출된 것으로 보여 벤트밸브를 통한 가스누출도 인정되지 않았다.
남은 것은 부탄이송 라인호스와 Y형 밸브에 연결된 커플링이었다. 처음에 Y 밸브 커플링은 장착된 상태에서 유출압력과 자중에 의해 크리프가 파괴되었다고 했지만, 크리프 파괴는 고열에 500시간 이상 노출되었을 경우 일어나는 현상으로 가스화재에 30분 정도 노출된 상태로는 일어날 수 없었다. 따라서 Y 밸브 커플링은 크리프파괴가 아닌 사전균열에 의한 파단가능성이 컸다.
이에 대해 만약 Y 밸브 커플링이 파단되었다면 부탄탱크로리에 있는 90%가량의 액상부탄이 모두 누출되었을 거라는 주장도 있었다. 하지만 탱크로리는 내부온도가 75℃에 이르면 가용전이 녹아 자동으로 입출라인이 막히게 되어 계속적인 누출이 일어나지 않는다. 따라서 Y 밸브 커플링이 파단되더라고 상당량의 부탄이 탱크로리에 남아 있는 것을 설명할 수 있다.
안전공학 전문가와 금속재료 전문가의 의견과 Y 밸브 커플링에서의 가스누출실험 등을 종합하여 최종결론은 탱크로리에서 가스이송작업 중 사전균열로 약해져 있던 Y 밸브 커플링이 파단되었고 이로 인해 부탄가스가 누출확산되면서 사고가 발생한 것으로 최종 종결되었다.
2001년 2월 17일 부천지법은 가스안전공사는 무죄, 대성에너지는 유죄를 선고했다. 특히, 대성에너지의 대표 외 4명에 대해서는 최고 금고 2년의 유죄를 선고했다. 부천지법은 최종판결에서 대성에너지 Y 대표에 대해서는 안전총괄책임자로서 직원을 지휘하지 못하고, 사고후 피해복구과정에서도 성실하지 못한 점 등에 대해 금고2년에 산업안전보건법에 의거 벌금 5백만원에, 탱크로리 운전기사 L 씨, 안전관리책임자 B 씨, 안전관리원 N 씨는 금고 1년6개월이 선고됐다.
안전관리부총괄자 J 씨는 현장에 있지 않은 점이 반영돼 금고1년에 집행유예 2년을 각각 선고하고, 대성에너지에 대해서도 벌금 5백만원의 판결을 내렸다. 당시 점검을 맡았던 가스안전공사 M 씨는 '정기검사시 점검해야 할 항목중 커플링 균열 등을 감독하지 못한 점은 인정되지만, 이를 사전에 발견하는 것은 힘든 것으로 보인다'며 무죄를 선고했다.
사고이후 바뀐 법령
이 사고를 계기로 가스관련법이 바뀌었다. 사고를 계기로 LPG 충전소의 안전관리 종합평가제가 도입되었다. 시설위주의 단편적인 검사만으로는 사고를 예방하는데 한계가 있다고 보고, 시설 검사 체계를 시설기준, 운영실태, 위해요소, 사고시 대응체계 등을 종합적으로 평가하는 종합적인 안전관리평가체계로 전환했다. 저장탱크를 지하에 설치할 경우 안전거리를 완화해 주던 조항도 강화되었다.
리스크랩연구소: http://www.risklab.co.kr/
